鋼材用
ビームクランプ
SBC-S
使用例
特 徴
- チェーンブロックやホイスト用吊ピース。
- ビーム(H型鋼・I型鋼)に固定し、チェーンブロックや滑車などのフックを引っ掛け、吊下げるのに最適です。
- ビームとの連結金具として工場、建築等あらゆる現場向き。
- 脱着はハンドルを廻すだけで簡単。
- スクリューの緩み防止用、六角穴付止めねじ付き。
仕 様
材質 : 鉄
基本使用荷重
SBC1S=1ton
SBC2S=2ton
SBC3S=3ton
SBC5S=5ton
適用ビーム幅
SBC1S=75~220mm
SBC2S=75~220mm
SBC3S=80~320mm
SBC5S=80~320mm
適用ビーム厚み
SBC1S=8~20mm
SBC2S=8~20mm
SBC3S=10~34mm
SBC5S=10~34mm
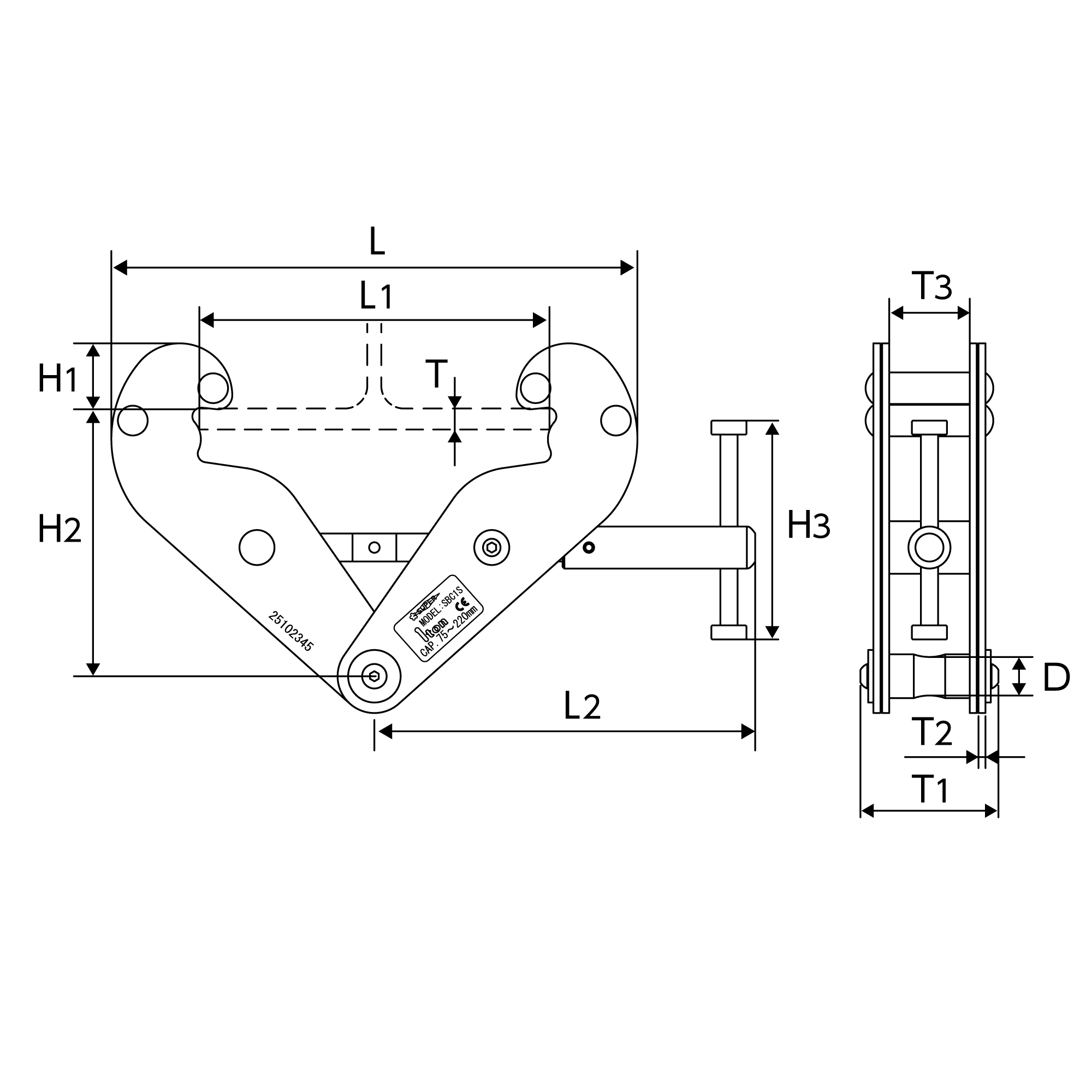
部品図












